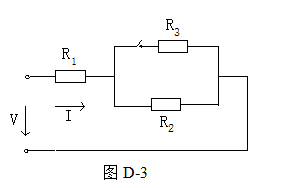
如图D-3所示,R1=10Ω,R2=20Ω,电源的内阻可忽略不计,若使开关K闭

如图D-3所示,R1=10Ω,R2=20Ω,电源的内阻可忽略不计,若使开关K闭合后,电流为原电流的1.5倍,则电阻R3应选多大?