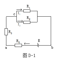
在图D-1中,电动势E=8V,内阻R0=1Ω,R1=2Ω,R2 2023-11-09 05:33:37 装表接电题库 在图D-1中,电动势E=8V,内阻R0=1Ω,R1=2Ω,R2=3Ω,R3=1.8Ω。求:(1)电流I、I1和I2;(2)电路的路端电压Uab. 上一篇:一直径为3mm,长为1m的铜导线,被均匀拉长至5m(设体积不变),求电阻是原电阻的几倍? 下一篇:在如图D-2所示电路中,电动势E=100V,内阻R<sub>0</sub>=0.5Ω,电阻R<sub>1</sub>
在图D-1中,电动势E=8V,内阻R0=1Ω,R1=2Ω,R2=3Ω,R3=1.8Ω。求:(1)电流I、I1和I2;(2)电路的路端电压Uab.