首页
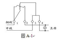
如图A-1在下图中,表示电能表电压线圈的是( )。
2023-11-09 04:23:11
装表接电题库
如图A-1在下图中,表示电能表电压线圈的是( )。
A.1~2段
B.1~3段
C.3~4段
D.以上说法均错
正确答案是B
上一篇:
两元件三相有功电能表接线时不接( )。
下一篇:
已批准的未装表的临时用电户在规定时间外使用电力,称为( )。