首页
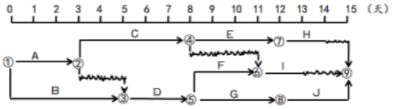
某工程双代号时标网络计划如下图,工作C的最早开始时间和总时差分别是( )天。
2024-11-09 17:14:36
建设工程施工管理【新版】
某工程双代号时标网络计划如下图,工作C的最早开始时间和总时差分别是( )天。
A、3和2
B、3和1
C、2和2
D、2和1
【正确答案】:B
【题目解析】:由图中可以直接看出工作C的最早开始时间为第3天;总时差通过计算后续线路上波形线之和的最小值为1天。
上一篇:
某工程双代号网络计划如下图所示,工作E最早完成时间和最迟完成时间分别是( )。
下一篇:
双代号时标网络计划中,波形线表示( )。