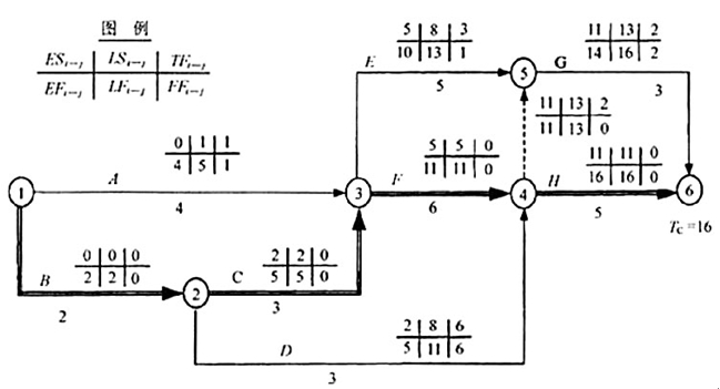
已知网络计划的资料如表所示,试绘制双代号网络计划;若计划工期等于计算工期,试计算各项工作的六个时间参数并确定关键线路,标注在网络计划上。
问:
(1)根据上表中网络计划的有关资料,按照网络图的绘图规则,绘制双代号网络图。
(2)计算各项工作的时间参数,并将计算结果标注在箭线上方相应的位置。
【正确答案】:
在下图中,最小的总时差是0,所以,凡是总时差为0 的工作均为关键工作。该例中的关键工作是:①-②,②-③,③-④,④-⑥(或关键工作是:B、C、F、H)。
在下图中,自始至终全由关键工作组成的关键线路是:①-②-③-④-⑥。关键线路用双箭线进行标注,如图所示。