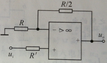
如图所示电路中,能够实现uo=ui运算关系的电路是

如图所示电路中,能够实现uo=ui运算关系的电路是

A.

9ba6b99a7ecc591c25f023dcddc328ee.png

B.

930ee8c9e6cf506be5b5a543bbdb7f62.png

C.

2afa0a83412029fbf4a835666e1c3fe9.png

D.

b760068b22820bac646d236a1c8ff753.png

正确答案是B