首页
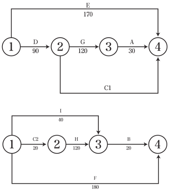
根据事件1,用双代号非时标网络图编制出修订后的施工进度计划(用工作代码表示)。
2023-11-02 22:03:27
水利水电
根据事件1,用双代号非时标网络图编制出修订后的施工进度计划(用工作代码表示)。
修订后的施工进度计划如下图所示。
注:Cl、C2分别代表C工作在两个非汛期完成的相应工作;图中单位为天(d)。
上一篇:
根据事件2,指出E工作第60天末实际超额(或拖欠)计划累计工程量的百分比、提前(或)拖欠的天数。指出E工作实际持续时间,并简要分
下一篇:
分别写出图4-2、图4-3中施工网络进度计划的开始和完成日期。